通过ISO9001;2008质量管理体系认证

当前位置 : 首页 > 关于我们 > 产品展示
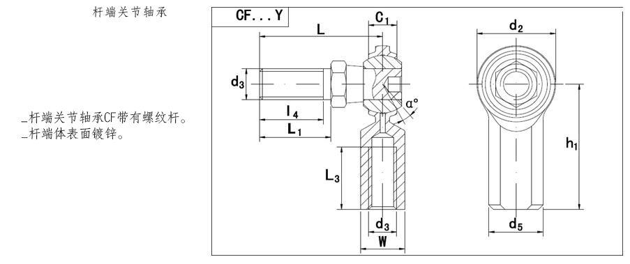
型号 尺寸 mm 负荷 KN 重量 kg

d3 W C1 d2 h1 L3 L L1 L4 d5 a    

2B
 

  min            
CF3Y* 10-32 7.92 5.94 15.88 26.97 12.7 25.4 12.7 11.1 10.31 25 9.427 0.023
CF4Y 1/4-28 9.53 6.35 19.05 33.32 17.45 26.19 14.27 12.7 11.91 25 14.269 0.027
CF5Y 5/16-24 11.1 7.92 22.23 34.93 17.45 30.96 17.45 15.06 12.7 25 17.009 0.05
CF6Y 3/8-24 14.27 9.12 25.4 41.28 20.62 39.67 23.01 20.62 17.45 25 22.627 0.077
CF7Y 7/16-20 15.88 10.31 28.58 46.02 23.8 44.45 26.97 23.8 19.05 25 28.4 0.122
CF8Y 1/2-20 19.05 11.5 33.32 53.98 26.97 50.8 28.58 25.4 22.23 25 40.459 0.181
CF10Y 5/8-18 22.23 12.29 38.1 63.5 34.93 63.5 38.1 34.93 25.4 25 43.203 0.308
CF12Y 3/4-16 25.4 15.06 44.45 73.03 39.67 76.2 46.02 41.28 28.58 25 63.193 0.504