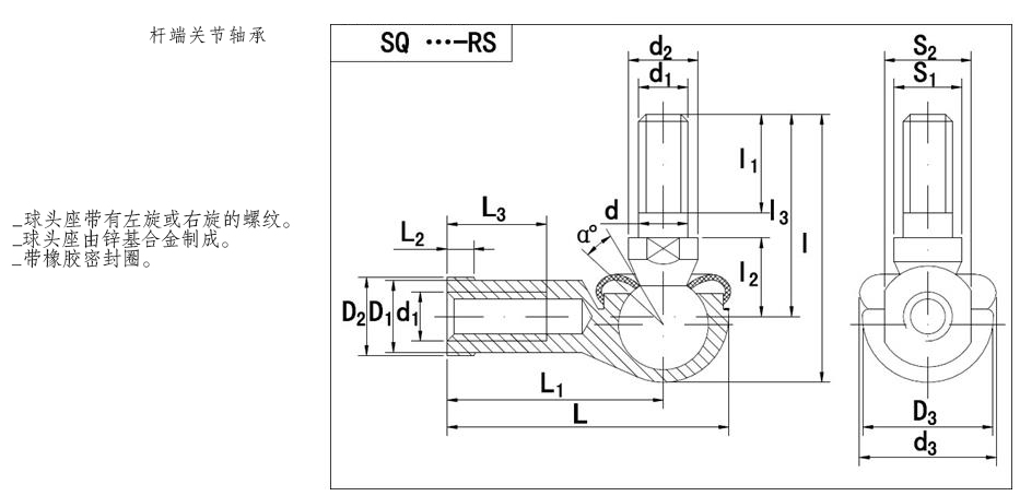
| 型号 | 尺寸 mm | 负荷KN | 重量kg | |||||||||||||||||
| d | d1 | d2 | d3 | l | l1 | l2 | l3 | S1 | L | L1 | L2 | L3 | D1 | D2 | D3 | S2 | a | |||
| min | min | ≈ | ||||||||||||||||||
| SQ5RS | 5 | M5x0.8 | 9 | 19 | 29 | 8 | 10 | 21 | 7 | 35 | 27 | 4 | 14 | 9 | 11 | 16 | 9 | 25 | 2.2 | 0.026 |
| SQ6RS | 6 | M6x1.0 | 10 | 20 | 35.5 | 11 | 11 | 26 | 8 | 40 | 30 | 5 | 14 | 10 | 13 | 19 | 11 | 25 | 3.5 | 0.039 |
| SQ8RS | 8 | M8x1.25 | 12 | 24 | 42.5 | 12 | 14 | 31 | 10 | 48 | 36 | 5 | 17 | 12.5 | 16 | 23 | 14 | 25 | 6.6 | 0.068 |
| SQ10RS | 10 | M10x1.5 | 14 | 30 | 56.5 | 21 | 17 | 43 | 11 | 57 | 43 | 6.5 | 21 | 15 | 19 | 27 | 17 | 25 | 10 | 0.112 |
| SQ10RS-1 | 10 | M10x1.25 | 14 | 30 | 50.5 | 15 | 17 | 37 | 11 | 57 | 43 | 6.5 | 21 | 15 | 19 | 27 | 17 | 25 | 10 | 0.112 |
| SQ12RS | 12 | M12x1.75 | 17 | 32 | 64.5 | 24 | 19 | 49 | 15 | 66 | 50 | 6.5 | 25 | 17.5 | 22 | 31 | 19 | 25 | 16 | 0.164 |
| SQ12RS-1 | 12 | M12x1.25 | 17 | 32 | 57.5 | 17 | 19 | 42 | 15 | 66 | 50 | 6.5 | 25 | 17.5 | 22 | 31 | 19 | 25 | 16 | 0.164 |
| SQ14RS | 14 | M14x2.0 | 19 | 38 | 79.5 | 28 | 21.5 | 62 | 17 | 75 | 57 | 8 | 26 | 20 | 25 | 35 | 22 | 25 | 19 | 0.254 |
| SQ14RS-1 | 14 | M14x1.5 | 19 | 38 | 73.5 | 22 | 21.5 | 56 | 17 | 75 | 57 | 8 | 26 | 20 | 25 | 35 | 22 | 25 | 19 | 0.254 |
| SQ16RS | 16 | M16x2.0 | 22 | 44 | 85.5 | 29 | 23.5 | 66 | 19 | 84 | 64 | 8 | 32 | 22 | 27 | 39 | 22 | 20 | 26 | 0.336 |
| SQ16RS-1 | 16 | M16x1.5 | 22 | 44 | 79.5 | 23 | 23.5 | 60 | 19 | 84 | 64 | 8 | 32 | 22 | 27 | 39 | 22 | 20 | 26 | 0.336 |
| SQ18RS | 18 | M18x1.5 | 23 | 45 | 90 | 25 | 26.5 | 68 | 20 | 93 | 71 | 10 | 34 | 25 | 31 | 44 | 27 | 20 | 33 | 0.464 |
| SQ20RS | 20 | M20x1.5 | 27 | 50 | 90 | 25 | 27 | 68 | 24 | 99 | 77 | 10 | 35 | 27.5 | 34 | 44 | 30 | 20 | 45 | 0.538 |
| SQ22RS | 22 | M22x1.5 | 27 | 52 | 95 | 26 | 28 | 70 | 24 | 109 | 84 | 12 | 41 | 30 | 37 | 50 | 32 | 16 | 48 | 0.713 |