通过ISO9001;2008质量管理体系认证

当前位置 : 首页 > 关于我们 > 产品展示
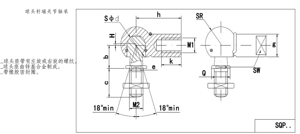
型号 尺寸 mm 负荷KN 重量kg

Q M1 M2 b c d e g h H k SW SR    

  6H 6g     min         min        
SQP5S 8 M5x0.8 M5x0.8 9 10 8 5 8 22 0.7 10.2 7 6.4 15.2 0.014
SQP6S 10 M6x1.0 M6x1.0 11 12.5 10 6 10 25 0.7 11.5 8 7.4 25.2 0.024
SQP8S 13 M8x1.25 M8x1.25 13 16.5 13 8 13 30 1.16 14 11 9.65 53.1 0.053
SQP10S 16 M10x1.25 M10x1.25 16 20 16 10 16 35 1.16 15.5 13 12 103.8 0.097
SQP12S 16 M12x1.75 M12x1.75 16 20 16 12 16 35 1.16 15.5 13 12 103.8 0.097
SQP14S 22 M14x2.0 M14x2.0 20 27 19 14 22 45 1.5 21.5 17 15 220.9 0.218
SQP14-1S 22 M14x1.5 M14x1.5 20 27 19 14 22 45 1.5 21.5 17 15 220.9 0.218