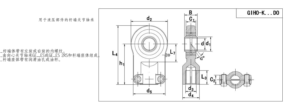
| 型号 | 尺寸 mm | 负荷KN | 重量kg | ||||||||||||||
| d | d3 | d4 | L3 | B | C1 | d2 | L7 | h1 | L4 | d5 | d1 | d5 | C2 | 动 | 静 | ||
| 6H | min | min | C | C0 | |||||||||||||
| GIHO-K12DO* | 12 | M10x1.25 | 17 | 15 | 10 | 8 | 35 | 16 | 42 | 59.5 | 40 | 15 | 13 | 11 | 10.8 | 17 | 0.12 |
| GIHO-K16DO | 16 | M12x1.25 | 21 | 17 | 14 | 11 | 45 | 20 | 48 | 70.5 | 45 | 20.7 | 13 | 10 | 21.1 | 28.5 | 0.22 |
| GIHO-K20DO | 20 | M14x1.5 | 25 | 19 | 16 | 13 | 55 | 25 | 58 | 85.5 | 55 | 24.2 | 17 | 9 | 30 | 42.5 | 0.43 |
| GIHO-K25DO | 25 | M16x1.5 | 30 | 23 | 20 | 17 | 65 | 30 | 68 | 100.5 | 62 | 29.3 | 17 | 7 | 48 | 67 | 0.67 |
| GIHO-K30DO | 30 | M20x1.5 | 36 | 29 | 22 | 19 | 80 | 35 | 85 | 125 | 77 | 34.2 | 19 | 6 | 62 | 108 | 1.25 |
| GIHO-K40DO | 40 | M27x2.0 | 45 | 37 | 28 | 23 | 100 | 45 | 105 | 155 | 90 | 45 | 23 | 7 | 100 | 156 | 2.16 |
| GIHO-K50DO | 50 | M33x2.0 | 55 | 46 | 35 | 30 | 120 | 58 | 130 | 190 | 105 | 55.9 | 30 | 6 | 156 | 245 | 3.9 |
| GIHO-K60DO | 60 | M42x2.0 | 68 | 57 | 44 | 38 | 160 | 68 | 150 | 230 | 134 | 66.8 | 38 | 6 | 245 | 380 | 7.15 |
| GIHO-K80DO | 80 | M48x2.0 | 90 | 64 | 55 | 47 | 205 | 82 | 185 | 287.5 | 156 | 89.4 | 47 | 6 | 400 | 585 | 15 |
| GIHO-K100DO | 100 | M64x3.0 | 110 | 86 | 70 | 55 | 240 | 116 | 240 | 360 | 190 | 109.5 | 55 | 7 | 610 | 865 | 27.3 |